مهندسی معکوس قطعات خیلی خاص نفت و گازی صنعتی و طراحی تلرانسهای هندسی و ابعادی

مهندسی معکوس قطعات خیلی خاص نفت و گازی صنعتی و طراحی تلرانسهای هندسی و ابعادی
MSHIRZAD
مهندسی معکوس قطعات خیلی خاص نفت و گازی صنعتی و طراحی تلرانسهای هندسی و ابعادی
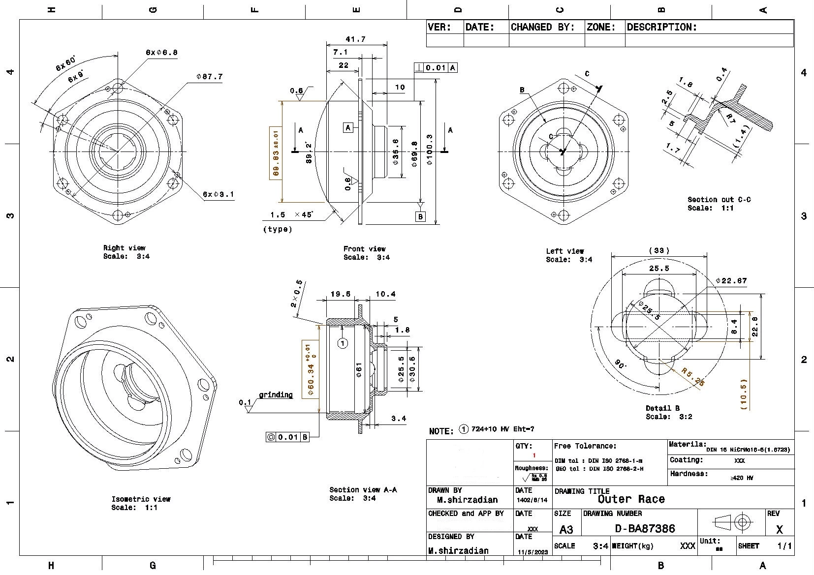
مهندسی معکوس قطعات خیلی خاص نفت و گازی صنعتی و طراحی تلرانسهای هندسی و ابعادی بر اساس داده برداری و تحلیل عملکردی قطعات و ساخت و تست قطعات
14 مرداد 1404
مهارتهای استفاده شده
14 مرداد 1404
پروژهها
